新聞資訊
道路等級和設計速度對市政道路設計有哪些方面的影響
表3.2.1各級道路的設計速度


2、路面結構設計使用年限

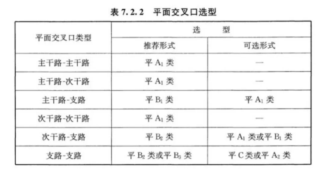
3、平面交叉口的選型

4、路基設計回彈模量

5、路基壓實度


6、交通安全和管理設施等級

通過以上對比可以看出,不同等級的道路,設計速度相同僅需注意平縱線形指標即可,但相同設計速度不同等級的道路,從交通功能、服務功能和使用壽命方面都有較大的區別。設計過程中,應首先確定道路等級,然后根據地域條件優先選用較高的設計速度,條件受限時方可選用最低的設計速度,筆者在此將規范的一些要求進行了匯總,以期對廣大設計同仁有所幫助,不當之處,還望廣大讀者批評指正。
更多相關信息 還可關注中鐵城際公眾號矩陣 掃一掃下方二維碼即可關注





